河南众汇锅炉有限公司
联系电话:13598407887
E-mail:327110825@qq.com
地址:河南省郑州市中原区西四环188号
官方微信








木材处理设备是我公司生产的压力容器的一个种类,该产品**性能高,按照中华人民共和国GB13150-1998《钢制压力容器》标准进行设计制造,出厂必须经过质量监督局检测验收,并有技术监督局出具的监检证书,是用户可以放心的产品。公司负责产品设计、制造、运输、安装、调试及操作人员的培训、该产品结构设计合理、功能**、外形美观,实用性强,木材处理量大,用途广,效率高,生产成本低。是系列木材防腐脱脂设备机组适用于竹木及竹木制剂的防腐、防霉、防蛀、防白蚁、阻燃染色的专用设备。同时适用于各种防腐药剂、阻燃药剂及染色药剂等。
定制2米木材浸染罐 木材加密罐

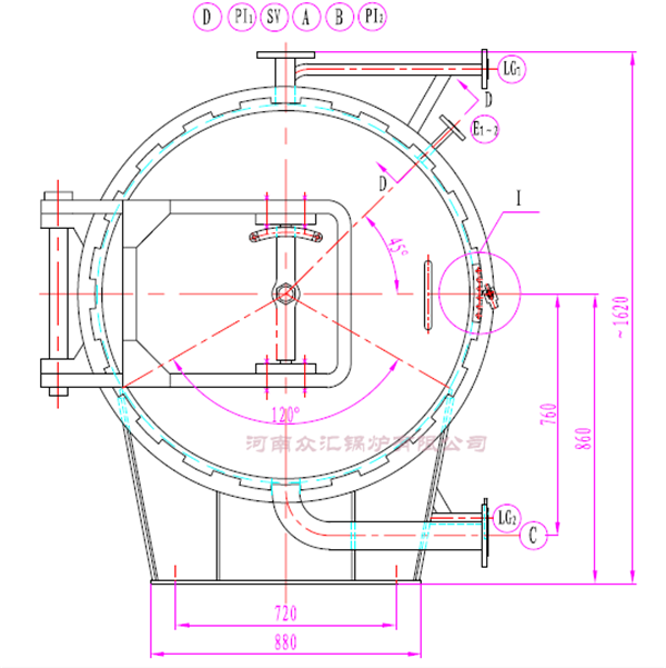
木材防腐罐/木材加密罐原理:机组采用真空、加压、加热等一系列工艺操作将木材的树脂脱掉,并把调制成一定浓度的防腐、阻燃、染色、药液经过真空高压注入木材细胞内部,从而起到防腐、防霉防蛀等保护处理。

二、操作顺序:
配置阻燃液→真空→浸渍→加压→真空干燥
三、使用方法:
1、满细胞法:满细胞法又叫全吸收法,是一种使防腐、阻燃剂充满木材细胞的防腐工艺方法。通常适用于水溶性防腐、阻燃剂,用该种方法处理木材可以使木材保留防腐阻燃剂。
2、高低频压法:用不断重复的常压和压力周期对木材进行防腐阻燃处理的工艺方法叫高低频压发,用这种工艺法处理的木材和浸材得到比满细胞法更优良的防腐阻燃效果。通常情况下,木材的浸注深度会更深。这是一种木材防腐阻燃效果较好的防腐阻燃工艺。

四、木材阻燃罐注意事项:
1、在工作之前,一定要检查各电器是否完好,各处阀门、压力表、真空表、液位计、各类泵是否正常,损坏的则进行更换。
2、在加热、加压过程中,要逐步加温、加压,并要注意压力变化,不得超过罐内所规定的工作压力。


版权所有:河南众汇锅炉有限公司 地址:河南省郑州市中原区西四环188号 豫ICP备2024041893号